Bồn cầu Inax 2 khối C-306VPT

Thương hiệu: INAX
3.490.000₫ Giá thị trường: 3.540.000₫ Tiết kiệm: 50.000₫
Tình trạng: Còn hàng

Chi tiết

      Thông số kỹ thuật Bồn cầu Inax 2 khối C-306VPT

  • Mã sản phẩm: C-306 VPT.
  • Tên bàn cầu:Bồn cầu 2 khối
  • Thương hiệu: Inax.
  • Công nghệ: Nhật Bản.
  • Xuất xứ: Việt Nam.
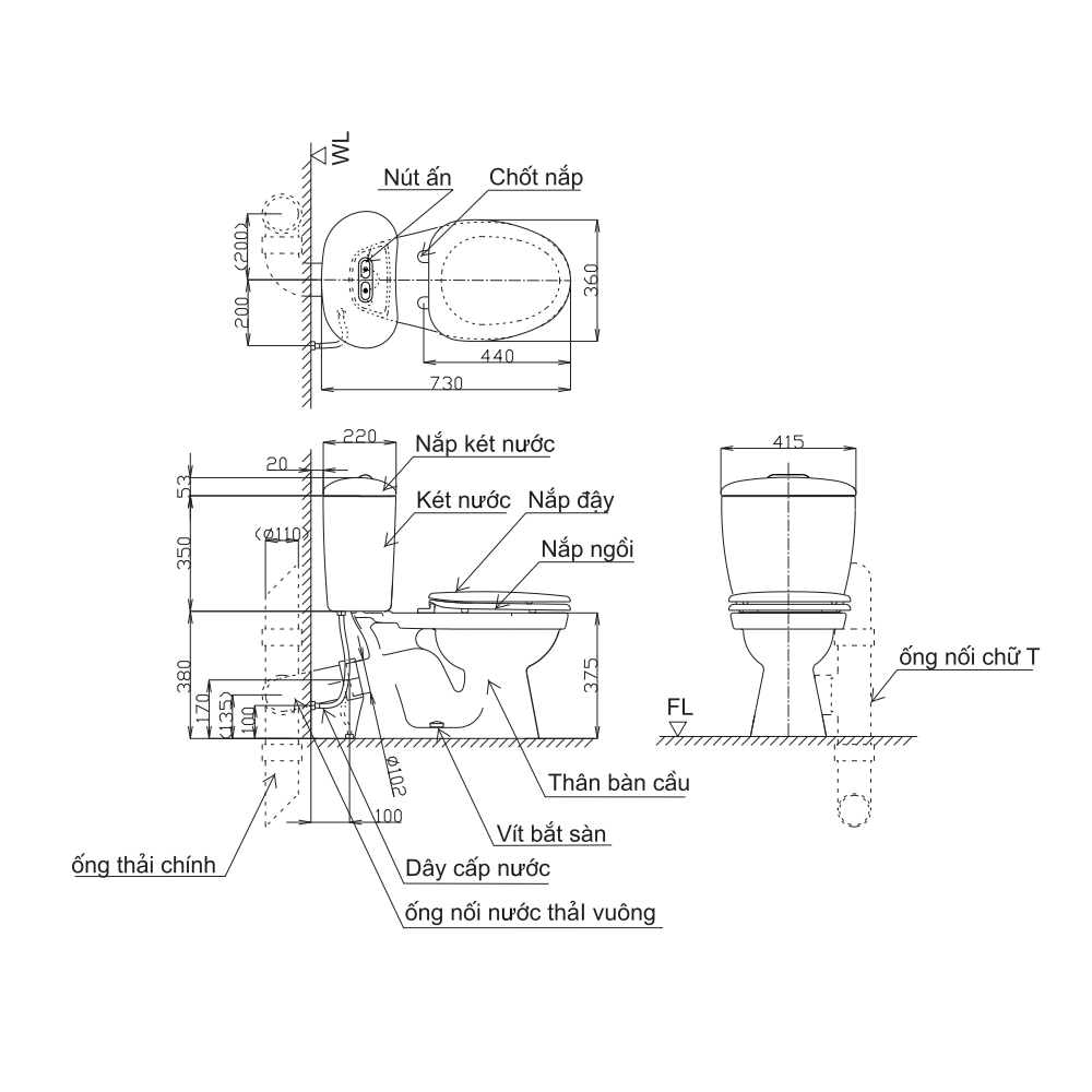
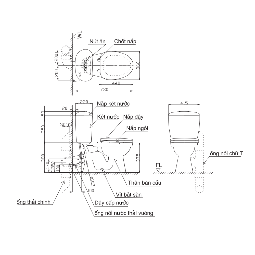
  • Kích thước (DxRxC): 730 x 355 x 788 mm.
  • Loại nắp đóng: Nắp đóng êm khít.
  • Kiểu thoát: Ngang.
  • Chế độ xả: Nhấn 2 mức xả.
  • Kiểu xả: Siphon.
  • Công nghệ: Xả xoáy.
  • Màu sắc: Trắng.

    Ưu điểm nổi bật Bồn cầu Inax 2 khối C-306VPT

  • Thiết kế mới, khó bám bẩn, vệ sinh dễ dàng hơn, sạch hơn 
  • Siêu tiết kiệm nước (3,0 / 6,0 lít)
  • Xả nhấn 2 nút riêng biệt (đại/tiểu)
  • Kiểu thoát ngang
  • Sản phẩm không bao gồm bộ phụ kiện xả P-trap CF-22H

    Bản vẽ kỹ thuật bồn cầu INAX 2 khối C-306VPT thoát ngang

    Bản vẽ kỹ thuật bồn cầu INAX 2 khối C-306VPT thoát ngang

Giới thiệu

GIỚI THIỆU NAM THỊNH

Thành lập từ năm 2011, trải qua 10 năm phát triển, được sự ủng hộ của khách hàng, Nam Thịnh hiện nay là một trong những doanh nghiệp hàng đầu trong lĩnh vực cung cấp Thiết bị Phòng tắm & Trang trí tại Việt Nam, hoạt động theo phương châm chất lượng dịch vụ tiện ích chuyên nghiệp, cam kết về sự uy tín & tin cậy. 

NhamoiaAZ.vn là bước phát triển mới.

  Trải 10 năm hoạt động trong lĩnh vực kinh doanh các sản phẩm thiết bị phòng tắm, trang trí, www.nhamoiaz.vn  là bước phát triển mới của Nam Thịnh. Với mục tiêu là được phục vụ nhiều hơn nữa các khách hàng, mang lại hài lòng cho nhiều hơn nữa các khách hàng, và cung cấp tới khách hàng của mình dịch vụ hoàn hảo hơn nữa.

Chúng tôi làm gì ?

Dù là sản phẩm gì, mỗi khi NhamoiAZ cung cấp đến khách hàng thì mục đích của chúng tôi là tìm kiếm sự hài lòng của mỗi khách hàng đến với mình.

Chúng tôi tạo nên sự khác biệt ?

NhamoiAZ luôn nỗ lực không ngừng cải tiến, nâng cao chất lượng dịch vụ và hỗ trợ khách hàng. Hệ thống dịch vụ của chúng tôi vận hành bởi đội ngũ kỹ thuật nhiều kinh nghiệm, bộ phận hỗ trợ luôn nhiệt tình giải đáp các thắc mắc cho khách hàng.

Chúng tôi mang đến cho khách hàng sự sự yên tâm và niềm tin về sự lựa chọn của mình. Với những giải pháp nghe tưởng chừng như đơn giản nhưng lại hết sức phù hợp, những chính sách đãi ngộ cộng với những dịch vụ tốt nhất..... sự thành công của nó đã minh chứng điều này.

Sứ mệnh của NhamoiAZ

    - Đem đén cho khách hàng phương tiện dễ nhất để hoàn thiện ngôi nhà của mình, đồng thời giúp khách hàng duy trì ngôi nhà của mình luôn luôn như mới.

Nam Thịnh Store
popup

Số lượng:

Tổng tiền:

Đã xem